Серия 850а (с защёлкой)
Механический замок серия 850а (с защёлкой)
Характеристики
Для дверей из
—
алюминия
Бренд
—
dormakaba
Сертификат соответствия
—
ГОСТ 5090-2016, ГОСТ 5089-2011, ГОСТ 538-2014
Серия 850а (с защёлкой)
#PROP_TITLE#
—
#PROP_VALUE#
Замки серии 850а рекомендованы для установки в двери из алюминиевого профиля повышенной проходимости. Применяются в обустройстве квартир и коммерческих помещений.Премиальный внешний вид и высокая корозионная стойкость:
торцевая планка замка, ответная планка замка, крепёжные винты и фиксирующий винт цилиндра выполнены из нержавеющей стали.
Характеристики
|
Для дверей из
|
алюминия |
|
Бренд
|
dormakaba |
|
Сертификат соответствия
|
ГОСТ 5090-2016, ГОСТ 5089-2011, ГОСТ 538-2014 |
|
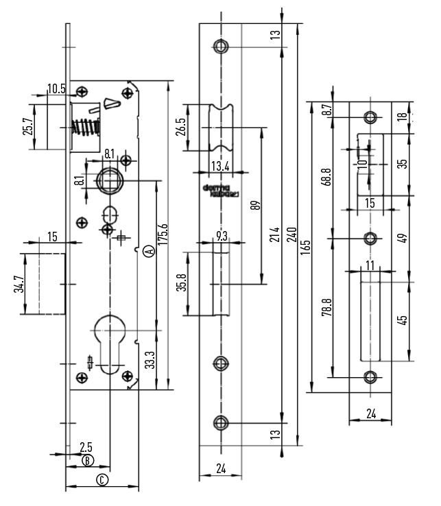
Ширина торцевой планки
|
24 мм |
|
Дорнмасс
|
25,30,35 мм |
|
Межосевое расстояние
|
85 мм |
|
Втулка замка под шток
|
8 мм |
|
Ответная планка
|
+ |
|
Вылет ригеля
|
15 мм |
|
Количество циклов открывания
|
200 000 |
Сертификаты


